透過總結上個世紀的經驗,汽車製造商對會干擾運作、造成損壞的電子狀況和瞬變進行分類。國際標準組織(ISO)對業界知識進行編譯,並制定出適用於道路車輛的ISO 16750-2和ISO 7367-2規範。汽車電子控制單元(ECU)使用的電源至少應該能夠承受這些狀況,且不造成損壞。至於關鍵系統,則必須保持功能性和容差。這需要電源透過瞬變調節輸出電壓,以保持ECU運作。在理想的情況下,完整的電源解決方案毋需使用保險絲,而可以最大限度地降低功耗,且採用低靜態電流,在不耗盡電池電量的情況下保持支援系統開啟。
ISO 16750-2合併多方案解決汽車電子系統挑戰
在最近的反覆運算中,ISO 7367-2電磁相容規範主要介紹來自相對較高的阻抗源(2Ω至50Ω)的大幅度(>100V)、短時持續(150ns至2ms)瞬變。這些電壓峰值通常可以使用被動元件消除。圖1顯示定義的ISO 7367-2脈衝1,以及增加的330μF旁路電容。電容將尖峰幅度從-150V降低至-16V,完全在反向電池保護電路支援的範圍內。ISO 7367-2脈衝2a、3a和3b的能耗遠低於脈衝1,所需的抑制電容也更少。

ISO 16750-2主要介紹來自低阻抗源的長脈衝。這些瞬變無法輕鬆過濾,通常需要使用基於穩壓器的主動式解決方案。一些更具挑戰性的測試包括:負載突降(測試4.6.4)、電池反接(測試4.7)、疊加交變電壓測試(測試4.4),以及引擎啟動工況(測試4.6.3)。圖2顯示了這些測試脈衝的視圖。ISO 16750-2中所示條件的差異性,加上ECU對電壓和電流的要求,通常需要合併使用這些方案,以滿足所有要求。

TVS/降壓穩壓器慎防負載突降
負載突降(Load Dump)(ISO 16750-2:測試4.6.4)屬於嚴重的瞬態過壓,其模擬電池斷開,但交流發電機提供大量電流的情況。負載突降期間的峰值電壓被分為受抑制電壓或未受抑制電壓,由三相交流發電機的輸出是否使用雪崩二極體來決定。受抑制的負載突降脈衝限制在35V,不受抑制的脈衝峰值範圍則為79V至101V。無論是處於哪種情況,因為交流發電器定子繞組中儲存了大量的電磁能量,所以可能需要400ms進行恢復。雖然大部分汽車製造商使用雪崩二極體,但隨著人們對可靠性的要求不斷增高,使得一些製造商要求ECU的峰值負載突降電壓必須接近未受抑制情況下的電壓。
解決負載突降問題的方法之一,就是添加瞬變電壓抑制器(TVS)二極體,從局部箝位ECU電源。更精小、容差更嚴格的方法則是使用主動湧浪抑制器,例如LTC4364,該抑制器以線性方式控制串接的N通道MOSFET,將最大輸出電壓箝位至使用者配置的水準(例如27V)。湧浪抑制器可以幫助斷開輸出,支援可配置限流值和欠壓鎖定,且可使用背靠背NFET提供通常需要的反向電池保護。
對於線性穩壓功率元件,例如湧浪抑制器來說,其所存在的隱患在於,在負載突降期間限制輸出電壓,或者在短路輸出期間限制電流時,N通道MOSFET可能功耗較大。功率MOSFET的安全工作區域(SOA)限制最終會限制湧浪抑制器能夠提供的最大電流。它還提出了在N通道MOSFET必須關閉,以避免造成損壞之前,必須保持穩壓的時長限制(通常使用可配置計時器針腳設置)。這些SOA導致的限制隨著工作電壓升高變得更加嚴重,而增加了湧浪抑制器在24V和48V系統中使用的難度。
更具擴展性的方法是使用降壓穩壓器,該穩壓器可在42V輸入下運作。切換開關穩壓器與線性穩壓器不同,其並無MOSFET SOA限制,但顯然它更加複雜。降壓穩壓器的效率支援實施大電流操作,其頂部切換開關則允許輸出斷開,並支援電流限制。至於降壓穩壓器靜態電流問題,已由最新一代元件解決,這些元件僅消耗幾微安培電流,在無負載條件下也能保持穩壓。透過使用Silent Switcher技術和展頻技術,切換開關雜訊問題也得到大幅的改善。
此外,有些降壓穩壓器能按100%工作週期運作,保證頂部切換開關持續開啟,透過電感將輸入電壓傳輸到輸出。在過電壓或過電流條件下,會觸發切換開關操作,以分別限制輸出電壓或電流。這些降壓穩壓器作為切換開關湧浪抑制器使用,實現低雜訊、低損耗操作,同時保持切換開關模式電源的可靠性。
理想二極體控制器驅動降反向電壓功耗
當電池終端或跳線因為操作員故障反向連接時,會發生反向電壓條件(也稱為反向電池條件)。相關的ISO 16750-2脈衝(測試4.7)反覆對DUT施加-14V電壓,每次60秒。關於此測試,有些製造商增加了自己的動態版本,在突然施加反向偏置(4V)之前,先起始地為此元件供電(例如VIN=10.8V)。
快速研究資料手冊後發現,很少有IC設計可以接受反向偏置,其中IC的絕對最小針腳電壓一般限制在-0.3V。低於地的電壓如果超過一個二極體的電壓,會導致額外電流流過內部接面,例如ESD保護元件和功率MOSFET的二極體。在反向電池條件下,極化旁路電容(例如鋁電解電容)也可能受到損壞。
肖特基二極體可以防止反向電流,但在正常運行期間,正向電流更高時,這種方法會導致更大功耗。圖3所示為基於串接P通道MOSFET的簡單保護方案,這種方案可以降低功耗損失,但在低輸入電壓下(例如發動機啟動),因為元件門檻電壓的原因,這種方案可能無法順暢運行。更加有效的方法是使用理想二極體控制器,以驅動串列N通道MOSFET,該MOSFET在負電壓時切斷輸入電壓。正常運作期間,理想二極體控制器調節N通道MOSFET的源漏電壓降低到30mV或更低,將正向壓降和功耗降低超過一個數量級(相較於肖特基二極體)。
主動整流器高頻輸入電壓護下游電路
疊加交變電壓測試(ISO 16750-2:測試4.4)模擬汽車的交流發電器的交流輸出的影響。正如其名,正弦訊號在電池軌道上疊加,峰值幅度為1V、2V或4V,具體由嚴重程度分類決定。對於所有嚴重性等級,最大輸入電壓為16V。正弦頻率以對數方式排列,範圍為50Hz至25kHz,然後在120秒內回到50Hz,總共重複5次。
本測試會導致在任何的互連濾波器網路內產生大幅度諧振低於25kHz的電流和電壓擺幅,它也會使切換開關穩壓器出現問題,其迴路頻寬限制使其難以透過高頻率輸入訊號進行調節。解決方案就像是中間整流元件,例如功率肖特基二極體,但對於反向電壓保護,這並不是一種解決問題的好方法。
在這種情況下,理想的二極體控制器無法像在反向電壓保護應用中一樣發揮作用,因為它無法足夠快速地切換開關N通道MOSFET,以和輸入保持同步。閘極上拉強度是其中一個限制因素,一般因為內部電荷泵限制在20μA左右。當理想的二極體控制器能夠快速關閉MOSFET時,開啟速度會非常慢,不適合對極低頻率以外的情況實施整流。
更合適的方法是使用LT8672主動整流器控制器,該控制器可以快速開關N通道MOSFET,以高達100kHz的頻率整流輸入電壓。主動整流器控制器是帶有兩個重要附加元件的理想二極體控制器,一個由輸入電壓增壓的大型電荷記憶體,另一個是快速開關N通道MOSFET的強勁閘極驅動器。相較於使用肖特基二極體,這種方法可以降低功率損失達90%以上。LT8672也和理想的二極體控制器一樣,保護下游電路不受電池反接影響。
MOSFET限制切換開關解決啟動工況
發動機啟動工況(ISO 16750-2:測試4.6.3)屬於極端欠壓瞬變,有時候指代冷啟動脈衝,這是因為在更低溫度下,會發生最糟糕的電池壓降。特別是當啟動器啟動時,12V電池電壓可能立刻降低到8V、6V、4.5V或3V,具體由嚴重程度分類決定(分別為I、IV、II和III級)。
有些系統中,低壓差(LDO)線性穩壓器或開關降壓穩壓器足以支援電源電軌因應這些瞬變,只要ECU電壓低於最低的輸入電壓。例如,如果最高的ECU輸出電壓為5V,且其必須達到嚴重程度等級IV(最低輸入電壓6V),那麼使用壓差低於1V的穩壓器即可。發動機啟動工況電壓最低的分區只能持續15ms至20ms,所以大型旁路電容之後的整流元件(肖特基二極體、理想二極體控制器、主動整流器控制器)可能可經受這部分脈衝,如果電壓淨空短暫地下降至低於穩壓器壓降差。
但是,如果ECU必須支援高於最低輸入電壓的電壓,則需要使用升壓穩壓器。升壓穩壓器可以在高電流位準上,有效保持來自低於3V輸入與12V輸出電壓。但是升壓穩壓器還存在一個問題,從輸入到輸出的二極體路徑無法斷開,所以自然地電流在啟動時或者短路時不受限。為了防止電流失控,專用的升壓穩壓器整合湧浪抑制器前端來支援輸出斷開和限流,以及在使用背靠背N通道MOSFET時提供反向電壓保護。這個解決方案可以利用單個積體電路解決負載突降、發動機啟動和電池反接,但是可用電流受湧浪抑制器MOSFET的SOA限制。
四開關的升降壓穩壓器透過共用的電感來聯合同步降壓穩壓器和同步升壓穩壓器,以消除此限制。這種方法可以滿足負載突降和發動機啟動工況測試的要求,且電流位準或脈衝持續時間不會受到MOSFET SOA限制,同時還保有斷開輸出和限流的能力。
升降壓穩壓器的開關操作由輸入和輸出電壓之間的關係決定。如果輸入遠高於輸出,升壓頂部開關持續開啟,降壓功率級則降低輸入。同樣的,如果輸入遠低於輸出,降壓頂部切換開關持續開啟,升壓功率級則增高輸出。如果輸入和輸出大致相等(在10%至25%之間),那麼降壓和升壓功率級會以交錯方式同時開啟。如此,可以透過僅對高於、約等於或低於輸出的輸入電壓實施穩壓所需的MOSFET限制切換開關,分別最大化各個開關區域(降壓、升降壓、升壓)的效率。
圖3匯總介紹了應對負載突降、反向輸入電壓、疊加交變電壓和發動機啟動工況測試的各種解決方案,以及各種方案的優缺點。可以得出幾個關鍵結論:
˙漏極面向輸入的串接N通道MOSFET極其有用,因為它可用於限流和斷開輸出,無論是它被用作切換開關(例如在降壓功率級中)或線性控制元件(例如在湧浪抑制器中)。
˙涉及反向輸入保護和疊加交變電壓時,使用N通道MOSFET作為整流元件(面向輸入的源極)可以大幅降低功率損失和壓降(相較於使用肖特基二極體)。

˙相較於線性穩壓器,使用切換開關模式電源更合適,因為它可以消除功率元件的SOA導致的可靠性問題和輸出電流限制。它可以無限調節輸入電壓極限值,而線性穩壓器和被動解決方案本身存在時間限制,這種限制會令設計更加複雜。
˙升壓穩壓器不見得需要使用,具體由啟動工況的分類和ECU(必須提供的最高電壓是多少)的詳情決定。
如果需要升壓穩壓,那麼四開關升降壓穩壓器會將上述需要的特質融合到單個元件中。它可以在高電流位準下,有效地調節嚴重欠壓和過壓瞬變,以延長持續時間。從應用的角度來看,這使其成為最可靠和簡單的方法,但其設計複雜性也會增加。然而,典型的四開關升降壓穩壓器存在一些缺點。其一,不能自然提供反向電池保護,必須使用額外電路來解決這個問題。
四開關升降壓穩壓器存在的主要問題在於,它大部分運作壽命都消耗在效率更低、雜訊更高的升降壓-壓開關區域。當輸入電壓非常接近輸出電壓(VIN~VOUT)時,所有4個N通道MOSFET都會主動開啟,以保持穩壓。隨著開關損耗增大,以及使用最大的閘極驅動電流,效率降低。當降壓和升壓功率級熱迴路都啟用,穩壓器輸入和輸出電流出現斷續,這個區域內的輻射和導電EMI性能會受到影響。四開關升降壓穩壓器可以調節偶然出現的大幅度欠壓和瞬態過壓,但需要使用高靜態電流、降低效率,並且在更常見、常規的轉換區域產生更高雜訊。
帶通模式消開關損失/EMI達高效
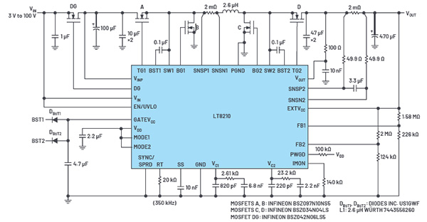
LT8210是四開關升降壓DC/DC控制器,可以按照慣例使用固定輸出電壓運作,且支援新Pass-Thru工作模式(圖4),可以透過可配置的輸入電壓視窗消除開關損失和EMI。該控制器在2.8V至100V範圍內運作,可以調節發動機啟動期間最嚴重的電池壓降,也可以調節未受抑制的負載突降的峰值幅度。它提供-40V反向電池保護,透過增加單個N通道MOSFET而實現(圖5中的DG)。

在帶通模式下,當輸入電壓在視窗之外時,輸出電壓被調節至電壓視窗的邊緣。視窗頂部和底部通過FB2和FB1電阻分壓器配置。當輸入電壓在此視窗之內時,頂部切換開關(A和D)持續開啟,直接將輸入電壓傳輸至輸出。在不開關狀態下,LT8210的總靜態電流降低至數十微安培。不開關意謂著沒有EMI和切換開關損失,所以效率高達99.9%以上。
對於兩方面都想實現最佳效果的使用者來說,可以使用LT8210,它可以透過切換MODE1和MODE2針腳,在不同的工作模式之間切換。換句話說,LT8210在某些情況下可以作為具有固定輸出電壓(CCM、DCM或Burst Mode)的傳統的升降壓穩壓器運作,然後,在應用條件變化時,轉而採用帶通模式。對於常開系統和啟停應用而言,這個特性非常有用。
帶通解決方案提高低電流效率
圖5所示的帶通解決方案將視窗中8V和17V的輸入傳輸至輸出。當輸入電壓高於帶通視窗時,LT8210將該電壓降低至經過調節的17V輸出。如果輸入降低至低於8V,LT8210將輸出電壓升高至8V。如果電流超過電感限流或設定的平均限流(透過IMON針腳),便提供保護特性在帶通視窗中觸發開關操作以控制電流。

圖6、圖7和圖8分別顯示LT8210電路對負載突降、反向電壓和啟動工況測試做出的反應。圖9和圖10顯示在帶通視窗下,實現的效率改善和可以實現的低電流操作(低電流時的效率令人驚訝)。圖11則顯示帶通模式和CCM操作之間的動態轉換。






電池反接/帶通模式並行 促升降電壓無開關/雜訊耗損
為汽車電子系統設計電源時,LT8210四開關升降壓DC/DC控制器透過其2.8V至100V輸入工作範圍、內建的反向電池保護和其新帶通工作模式提供良好的解決方案。帶通模式可以改善升降壓操作,實現零開關雜訊、零開關損失,以及超低的靜態電流,同時將輸出調節至使用者配置的視窗水準,而不是固定電壓。輸出電壓的最小和最大值與例如負載突降和冷開機期間的大幅度瞬變相綁定,沒有MOSFET SOA或者由線性狀況導致的電流或時間限制。
新型LT8210控制方案支援在不同的開關區域(升壓、升降壓、降壓和不開關)之間實現乾淨快速的瞬變,因此能夠調節輸入中的大訊號和高頻率交流電壓。LT8210可以在帶通操作模式和傳統的固定輸出電壓、升降壓操作模式(CCM、DCM或Burst模式)之間切換並保持運作,固定輸出可以設定為帶通視窗中的任何電壓(例如在8V至16V視窗中,VOUT=12V)。這種靈活性使得用戶能夠在帶通和常規的升降壓操作之間切換,利用帶通模式的低雜訊、低IQ和高效率操作,在CCM、DCM或Burst模式下實現更精確的穩壓和更出色的瞬態回應。
(本文作者任職於ADI)